










Kątownik montażowy 40x40x60 łącznik ciesielski drewno 10 szt
Parametry
- Stan
- Nowy
- Faktura
- Faktura VAT
- Rodzaj
- kątowniki
- Kod producenta
- 4102
Opis produktu
Kątownik ciesielski KM2 40x40x60x2,0 10 szt.

Standardowe kątowniki z uniwersalną perforacją. Ilość umieszczonych w nich otworów sprawia, że za pomocą tych kątowników można zrealizować wiele prostych, jak i skomplikowanych połączeń.
✴️Aukcja dotyczy zakupu 10 szt łącznika KM2
Bogaty asortyment łączników oraz wkrętów ciesielskich marki DMX dostępny na pozostałych naszych aukcjach !!!

Parametry techniczne
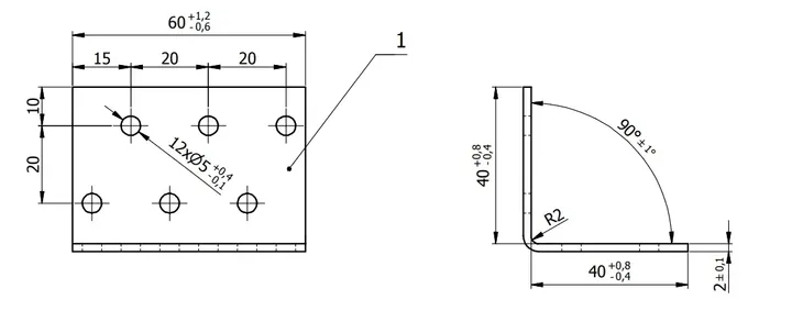
Wymiary: 40mmx40mmx60mm
Grubość: 2mm
Materiał: DX51D + Z275
ochrona antykorozyjna - ocynk
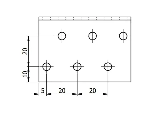
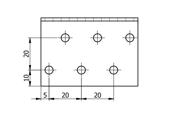
ilość otworów - 12 otworów ø5mm
nośność - 3,81kN
mocowanie gwoździe pierścieniowe ANCHOR ø4 wkręty ciesielskie do łączników

RYSUNEK TECHNICZNY


Zastosowanie:
Trójwymiarowe łączniki przeznaczone są do łączenia wzajemnie prostopadłych, konstrukcyjnych elementów drewnianych, w układach bok do boku (łączniki typów KK, KM, KP, LK)
Przydatne podczas budowania konstrukcji drewnianych takich jak : altany, wiaty, drewutnie, domki dla dzieci itp.

PRZYKŁADY ZASTOSOWAŃ KĄTOWNIKA KM


Opinie o produkcie 1
- Opinie mogą wystawiać wyłącznie użytkownicy, którzy kupili produkt na naszej platformie.
- Weryfikujemy to automatycznie na podstawie zrealizowanego zamówienia.
- Opinię można edytować jeden raz lub usunąć; po usunięciu nie można dodać kolejnej opinii dla tego samego zakupu.
- Publikujemy wszystkie opinie (pozytywne i negatywne) z wyjątkiem treści naruszających regulamin.
- Jeśli opinia pochodzi z innego rynku, oznaczamy źródło, kraj zakupu i język oryginału, aby zapewnić pełną przejrzystość.









